發布時間:
2020-10-02 23:23:48
瀏覽次數:
《鈦及鈦合金熔模精密鑄件規范國軍標 GJB 2896-97》,本規范規定了鈦及鈦合金熔模精密鑄件的要求、質量保證規定和交貨準備等。
適用范圍
本規范適用于航空航天用熔模精密鑄造的鈦及鈦合金鑄件,其他軍工產品也可參照使用。
分類
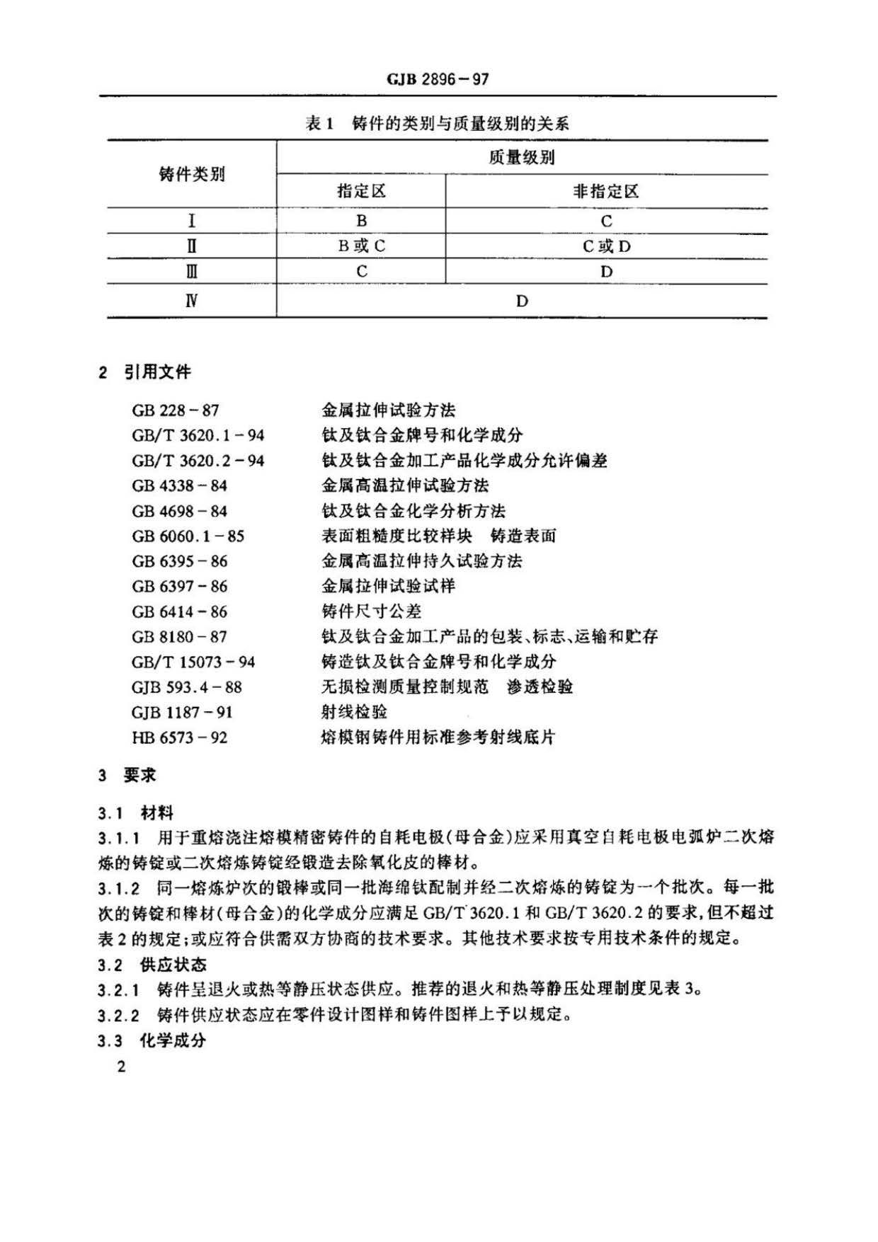
鑄件根據其受力情況、重要程度和工作條件分為Ⅰ、Ⅱ、Ⅲ、Ⅳ四類。
I類:單個鑄件的損壞即可威脅到全體操作人員的生命,或者導致飛機、導彈或其他飛行器的失效;
Ⅱ類:單個鑄件的損壞即可引起飛機、導彈或其它飛行器重大故障,包括主要部件的失效、武器裝備的故障;
Ⅲ類:除Ⅰ類,或Ⅱ類鑄件以外的承受靜載荷和較小動載荷的一般鑄件;
Ⅳ類:Ⅰ、Ⅱ、Ⅱ類以外的其他鑄件。
鑄件按不同部位(或區域)的重要程度分為A、B、C、D四個質量級別。
A級:最高質量級別,暫不選用;
B級:高質量級別;
C級:較高質量級別;
D級:一般質量級別。
《鈦及鈦合金熔模精密鑄件規范國軍標 GJB 2896-97》詳細內容,利泰金屬整理如下:










相關鏈接
- 2021-12-21 鎳鈦絲鈦合金板在口腔正畸臨床中的應用
- 2021-10-06 鈦及鈦合金熱處理標準現狀及發展趨勢
- 2020-09-14 鈦及鈦合金熱處理 GJB3763A-2004
- 2020-05-17 海綿鈦、鈦及鈦合金化學分析方法 碳量的測定國家標準 GB/T 4698.14-2011
- 2020-05-08 鈦及鈦合金加工產品的包裝、標志、運輸和貯存 GB 8180-2007
- 2020-04-02 鈦及鈦合金棒材國家標準GB/T 2965-2007
- 2020-02-08 鈦及鈦合金產品狀態代號GB/T 34647-2017
- 2020-01-11 鈦及鈦合金帶箔材國家標準GB/T 3622-2012
- 2020-01-02 海綿鈦 鈦及鈦合金化學分析方法 庫侖法測定碳量國家標準
- 2010-01-29 鈦及鈦合金制件熱處理GB/T 37584-2019

